Passer au contenu principal Passer à la recherche Passer à la navigation principale
Fabrication spéciale personnalisée
14 jours de droit de retour¹
Garantie du meilleur prix à plusieurs reprises
De nombreux produits directement du fabricant
Hotline +49 (0)2271-989630-0

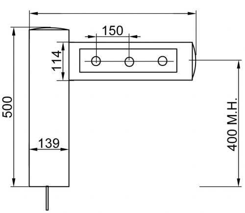
Colonne de banc CNS 3-4 lignes - 610 mm de large (pied inclus)

Informations sur le produit "Colonne de banc CNS 3-4 lignes - 610 mm de large (pied inclus)"

Colonne à flancs CNS
3 à 4 lignes - 610 mm de large (incl.
Pied

Diamètre du pied
139 mm
Diamètre de la poutre
114 mm,
500 mm Hauteur
(400 mm MH)
Colonne de bar en CNS,
SANS PANNEAUX, polie mat
Poutre
orientée au choix vers la gauche ou la droite
3 fils -
4 fils -

Colonne de bar en CNS,
SANNE PANNEAUX, poli
Poutre
orientée vers la gauche ou la droite au choix
3 conducteur -
4
conducteur -

Robinets
à commander dans le chapitre Robinets


Les colonnes de type RJMF1 ont le grand avantage
de pouvoir être montées avec la poutre orientée vers la gauche ou
vers la droite
(c'est même possible sur site
) et les différents &ndash ;
ci-dessous
peuvent être commandés séparément en fonction des besoins/de l'utilisation de
.
Même
„caches spéciaux&ldquo ; avec des trous spéciaux (diamètre,
distance et nombre) selon tes indications

sont disponibles dans un bref délai (environ 2 semaines).

Produktsicherheit

Herstellerinformationen:
Beverage Dispense Systems GmbH
Kopernikusstrasse 4
50126 Bergheim

Email: info@beverage-dispense-systems.com

0 de 0 Évaluations

Note moyenne de 0 sur 5 étoiles

Évalue ce produit !

Partage ton expérience avec d'autres clients.